首页
/
关于我们
公司介绍
公司资质
/
产品展示
通用有机试剂
抗氧化剂
其他食品添加剂
/
新闻中心
公司动态
/
案例展示
/
联系我们
/
公示信息
废水、废气检测报告
环境信息公开表
2024年环境信息公开表
2025年环境信息公开表
2025年环境检测报告
FORMULA INFORMATION
公示信息
废水、废气检测报告
环境信息公开表
2024年环境信息公开表
2025年环境信息公开表
2025年环境检测报告
Contact Us
联系我们
电话:028-87986129
手机:13708227481
传真:028-87986118
邮编:611743
地址:郫都区红光街道高店路西段918号
你现在的位置:
网站首页
>
公示信息
>
环境信息公开表
>
环境信息公开表
2024年环境检测报告
更新时间:
2025-01-09 16:36:49
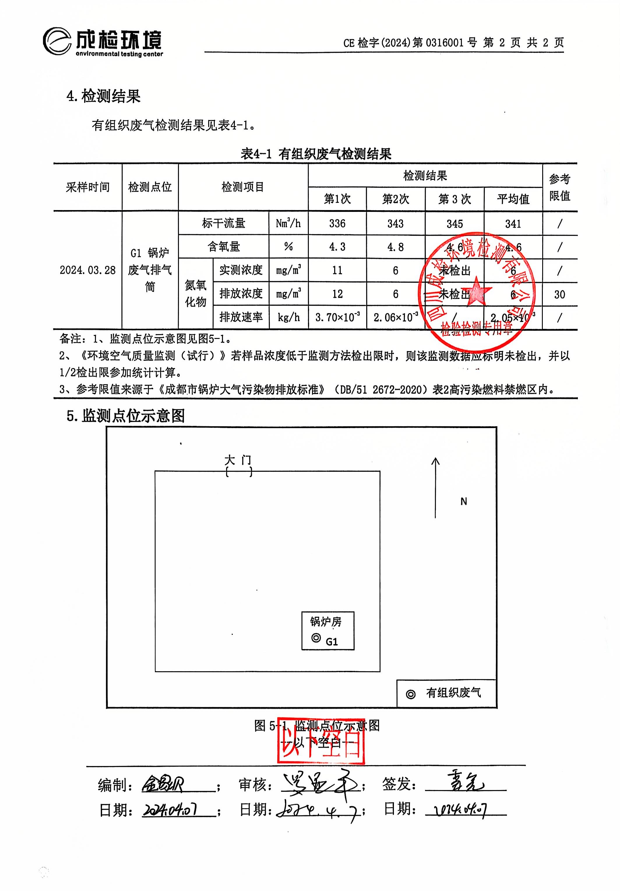
详情点击查看2024年环境检测报告.pdf
详情点击查看
2024年环境检测报告.pdf
上一篇:已经没有了
下一篇:
2024年度环境信息公开表